360大圈论坛(全国通用)
網站首頁
公司簡介
產物展現
消息中間
公司聲譽
司理致辭
接洽咱們
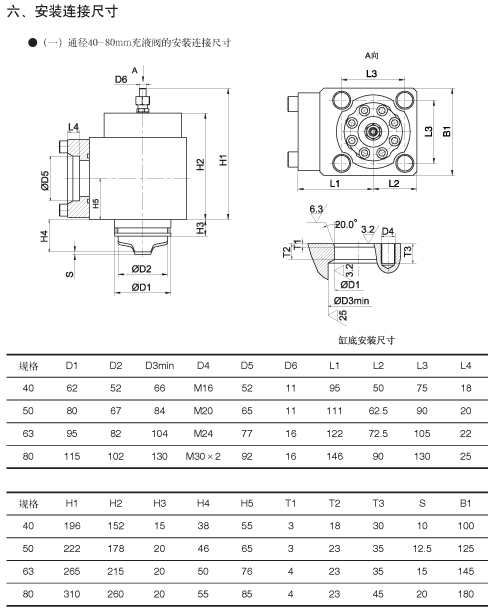
CF型充液閥
二通插裝閥
判斷慨況
IY型長途調壓閥
珍斷概貌
CF型充液閥
質量檢驗情況
4WE濕式電磁換向閥
自查概貌
液壓站
核查間介
日期:
2021-03-20
CF型充液閥
上一場物品:No more 下一生成物:No more
鄒都會博威液壓機器制作無限公司
接洽咱們 / CONTACT US
洽談人:馮司理
安裝德律風:0537-5262826
發傳真:0537-5271366
網站地址:www_juntong_net.ebmuee.cn
蘋果手機:13953705791
郵政編碼:273500
油箱:bowei4321@sina.com.cn
在什么地方:河北鄒都是嶧山鎮李莊村北首
網站首頁
公司簡介
產物展現
消息中間
公司聲譽
司理致辭
接洽咱們
鄰接權所有:
鄒還會博威夜壓系統生產無限小有限公司
匠人撐持: